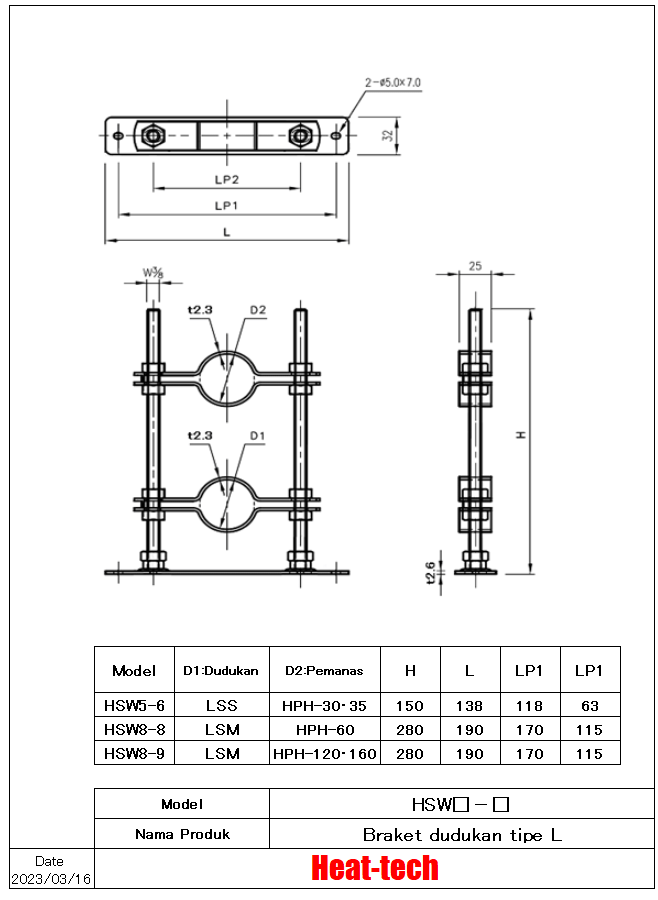
Dudukan tipe L Daftar Isi Halaman Ini:Untuk pemanas kecil/sedang/besar【LSS】【LSS+HPH】【LSM】【LSM+HPH】【LSM+HLH】 Untuk pemanas kecil/sedang/besar LSS dudukan tipe-L LSM dudukan tipe-L 【LSS】 【LSS+HPH】 【LSM】 【LSM+HPH】 【LSM+HLH】 関連投稿: Pemanas udara panas Kit lab R & D LKABH-13AM/220V-350W/L57/K + HCAFM 《Pemanas udara panas sedang untuk suhu tinggi》ABH-22A 《Pemanas udara panas elemen pemanas platinum》PTH-13NM 《Pemanas udara panas besar》ABH-38X6 2023-05-12 idn-musuhi