Pemanas cincin karbon seri CFRH
Daftar Isi Halaman Ini:
1.Fitur CFRH
1. Menyinari secara melingkar dari segala arah.
Tidak ada titik buta karena cahaya disinari dalam pola melingkar dari segala arah.
2. Ideal untuk pemanasan resin
Karena merupakan elemen pemanas karbon yang berasal dari senyawa polimer, elemen ini bagus dalam memanaskan resin.
3. Waktu mulai yang cepat
Mencapai 80% hanya dalam 2.7 detik dan 100% dalam 8.5 detik.
4. Arah pemanasan bebas
Karena elemen pemanas terbuat dari bahan yang fleksibel, maka dapat diolah menjadi bentuk garis atau cincin.
Elemen pemanasnya sendiri ringan dan dapat menyala ke segala arah, vertikal, horizontal, atau diagonal.
Selain itu, ia memiliki ketahanan benturan yang sangat baik.
2.Foto Eksterior CFRH
3.Waktu Pemanasan CFRH
【Tolong dicatat】
Dalam pemanasan inframerah, suhu pemanasan berubah tergantung pada tingkat penyerapan inframerah objek.
Semakin lama waktu pemanasan, semakin tinggi suhunya.
Semakin dekat jarak pemanasan, semakin tinggi suhunya.
4.Kendali Manual -> Seri HCV
Ikhtisar pengontrol catu daya manual seri HCV untuk pemanas halogen
5.Kontrol Suhu Otomatis -> Seri HHC2
Ikhtisar pengontrol pemanas performa tinggi seri HHC2
6.Konfigurasi CFRH
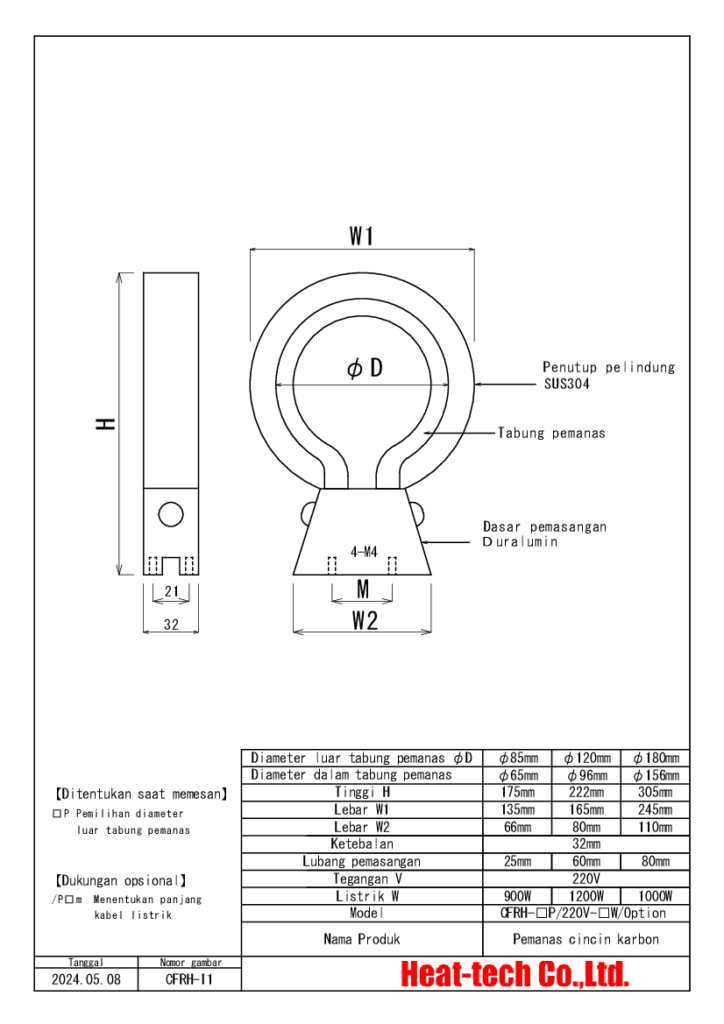
7.Gambar Eksterior CFRH
●Katalog produk pemanas titik halogen

Klik di sini untuk memuat turun katalog PDF








