Pemanas garis halogen kecil tipe fokus Seri HLH-30
Daftar Isi Halaman Ini:
1. Fitur HLH-30
1) Ini kecil dan dapat memanaskan secara linier hingga 1000 ℃.
HLH-30, pemanas garis halogen super kecil ini, menggunakan unit pemanasan fokus garis dengan menggunakan lampu halogen batang.
Konsep produk ini adalah “kecil". Dengan lebar cermin fokus sebesar 30mm dan tinggi bagian cermin fokus sebesar 34mm, produk ini sangat kecil.
Permukaan cermin fokus menggunakan kombinasi permukaan lengkung elips dan lingkaran untuk mengatasi kekurangan ukuran yang dihadapi.
Meskipun sangat kecil, pemanas ini tetap dapat mencapai suhu pemanasan maksimum sekitar 1000℃.
2)Pemanas ini dapat memberikan pemanasan yang bersih dan sempurna,
dan juga dapat digunakan di ruang bersih atau dalam kondisi hampa udara.
Tipe yang menggunakan pendinginan air dapat digunakan di dalam wadah hampa udara.
Ketika ditempatkan di dalam ruang hampa udara, perlu dilakukan pengolahan vakum sebelumnya karena terdapat pelepasan gas kecil dari perekat anorganik pada awalnya.
2. Foto eksterior HLH-30

3. Panjang fokus dan lebar fokus HLH-30
Bata tahan api disinari dengan HLH-30W/f30/L152 dari jarak pengenal 20mm.
Gambar di bawah ini adalah gambar termal yang diambil dengan kamera termografi.
Dari gambar termal, bagi rentang cermin kondensor (152 mm x 30 mm) dari pemanas garis halogen menjadi 10 bagian,
Bagilah suhu maksimum di setiap rentang yang dibagi dengan suhu maksimum di seluruh rentang untuk mengukur distribusi suhu bata tahan panas.
Panas yang datang dihamburkan ke luar, sehingga suhunya menurun ke arah luar.
[Jarak dan kondisi kondensasi – Panjang fokus 20mm]
Jika anda menjauh dari panjang fokus (20 mm), Anda juga dapat memanaskan dengan lebar tertentu.
Intensitas iradiasinya seragam, tetapi suhu di tengahnya tinggi karena panas keluar dari pinggiran.
4. Waktu pemanasan HLH-30
【Tolong dicatat】
Dalam pemanasan inframerah, suhu pemanasan berubah tergantung pada tingkat penyerapan inframerah objek.
Jika anda menyinari untuk waktu yang lama, itu akan menjadi panas.
5. Tegangan dan umur HLH-30
Seperti yang terlihat pada gambar di atas, penggunaan dengan menurunkan tegangan rating sebesar 10% akan memperpanjang masa hidup perangkat menjadi 3 kali lipat dari masa hidup yang dirancang.
Penggunaan dengan menurunkan tegangan rating sebesar 20% akan memperpanjang masa hidup perangkat menjadi 9 kali lipat dari masa hidup yang dirancang.
6. Kendali manual -> Seri HCV
Ikhtisar pengontrol catu daya manual seri HCV untuk pemanas halogen
7. Kontrol suhu otomatis -> Seri HHC2
Ikhtisar pengontrol pemanas performa tinggi seri HHC2
8. Konfigurasi HLH-30
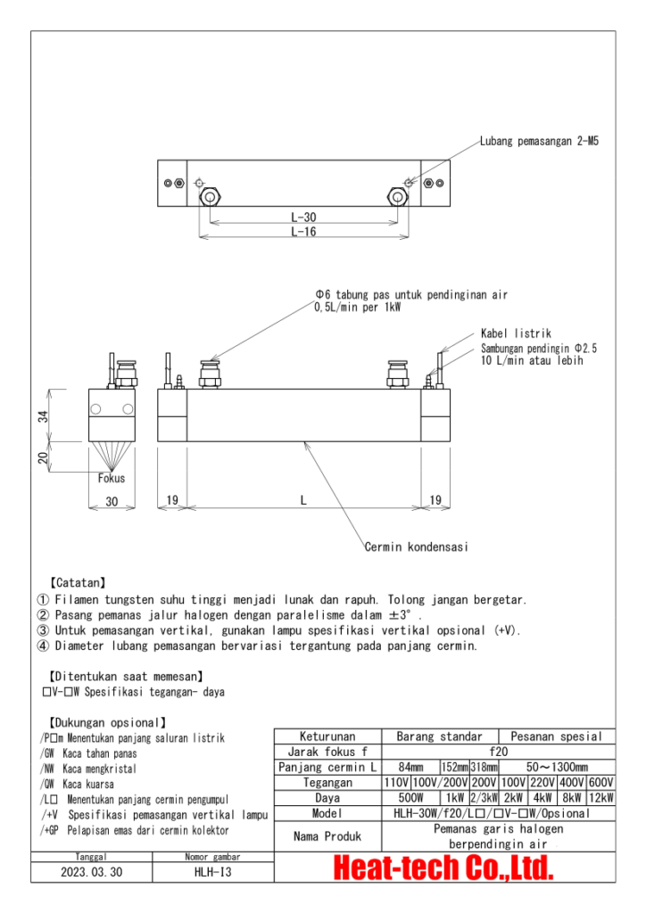
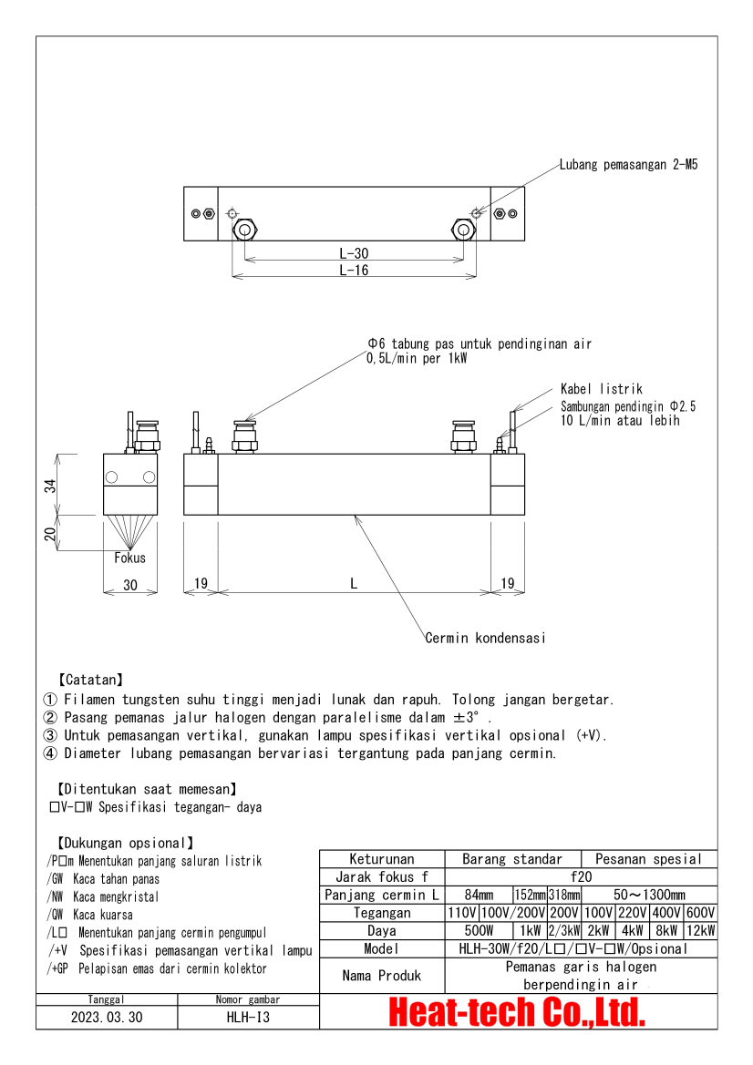
9. Gambar eksterior HLH-30
●Katalog produk pemanas garis halogen

Klik di sini untuk memuat turun katalog PDF pemanas garis halogen















