Daftar Isi Halaman Ini:
1.Fitur HPH-120
1) φ18 titik dapat dipanaskan hingga 1450℃.
HPH-120 adalah pemanas titik halogen yang mencapai pemanasan suhu tinggi dengan memusatkan cahaya dari lampu halogen.
Diameter kondensasi kira-kira φ18 pada panjang fokus 15 mm. Tergantung pada objek yang akan dipanaskan, dapat dipanaskan hingga kira-kira 1450°C.
Dibutuhkan sekitar 5 detik saat digunakan untuk menyolder.
Temperatur pemanasan berbeda-beda tergantung jenis benda yang akan dipanaskan.
Kontrol suhu pemanasan adalah kontrol waktu iradiasi atau kontrol tegangan.
Tegangan lebih 110% dapat diterapkan, meskipun umur lampu akan menjadi 1/3.
* Operasi berkedip yang sering akan mempersingkat masa pakai.
2) Pemanasan yang sangat bersih tercapai, dan pemanasan di kamar bersih dan vakum juga dimungkinkan.
* Jika Anda memasukkannya ke dalam soda vakum, sejumlah kecil gas akan dilepaskan dari perekat anorganik di awal, jadi perlu menyedotnya terlebih dahulu.
Selain itu, karena pembuangan panas berkurang dalam ruang hampa, unit pendingin air perlu dipasang di unit utama.
3) Sekarang dimungkinkan untuk memanaskan ruang sempit yang dulunya hanya dapat ditangani oleh serat optik atau laser.
Ini jauh lebih dari 10 kali lebih efisien daripada metode pemanasan serat optik dan metode pemanasan laser, biaya rendah, hemat energi, dan aman.
4) Pendingin udara dan pendingin air dapat digunakan dengan baik.
■ Jenis kipas pendingin yang terpasang hanya dapat digunakan dengan pengontrol pemanas.
■ Jenis pendingin udara terkompresi memerlukan pengontrol pemanas dan kompresor udara, tetapi berukuran kecil.
■ Jenis berpendingin air memerlukan pengontrol pemanas dan chiller (pendingin air), tetapi juga dapat digunakan dalam bejana vakum.
Desain cermin kondensasi yang sangat efisien dan spesifikasi cermin berlapis emas dengan reflektansi tinggi.
Ini dibagi menjadi cermin kondensasi dan lampu, dan cermin kondensasi dan lampu dapat diganti satu per satu.
2.Foto Eksterior HPH-120
<<Tipe pendingin kipas HPH-120FA/f45/200V-1kW>>
<<Tipe pendingin udara terkompresi HPH-120CA/f45/200V-1kW >>
<<Tipe eksternal unit pendingin air HPH-120W/f45/200V-1kW>>
3.Fokus Jarak dan Diameter Fokus HPH-120

Panjang fokus dan diameter fokus pemanas titik halogen HPH-120/f45
4.Waktu Pemanasan HPH-120

5.Tegangan dan Umur HPH-120
Seperti yang terlihat pada gambar di atas, penggunaan dengan menurunkan tegangan rating sebesar 10% akan memperpanjang masa hidup perangkat menjadi 3 kali lipat dari masa hidup yang dirancang.
Penggunaan dengan menurunkan tegangan rating sebesar 20% akan memperpanjang masa hidup perangkat menjadi 9 kali lipat dari masa hidup yang dirancang.
6.Kendali Manual -> Seri HCV
Ikhtisar pengontrol catu daya manual seri HCV untuk pemanas halogen
7.Kontrol Suhu Otomatis -> Seri HHC2
Ikhtisar pengontrol pemanas performa tinggi seri HHC2
8. Konfigurasi HPH-120
HPH-120 is used by combining a condenser mirror and a lamp base and specifying the length of the power line.
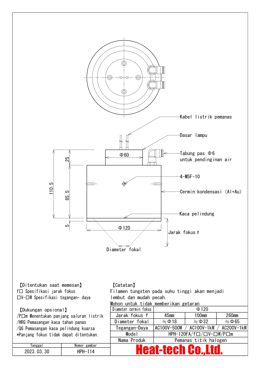
9.Gambar Eksterior HPH-120
●Katalog produk pemanas titik halogen

Klik di sini untuk memuat turun katalog PDF pemanas titik halogen
HEAT-TECH TEST TEST












