Daftar Isi Halaman Ini:
1.Fitur HPH-50
1) Titik φ5mm dapat dipanaskan hingga 1450℃ dalam waktu singkat.
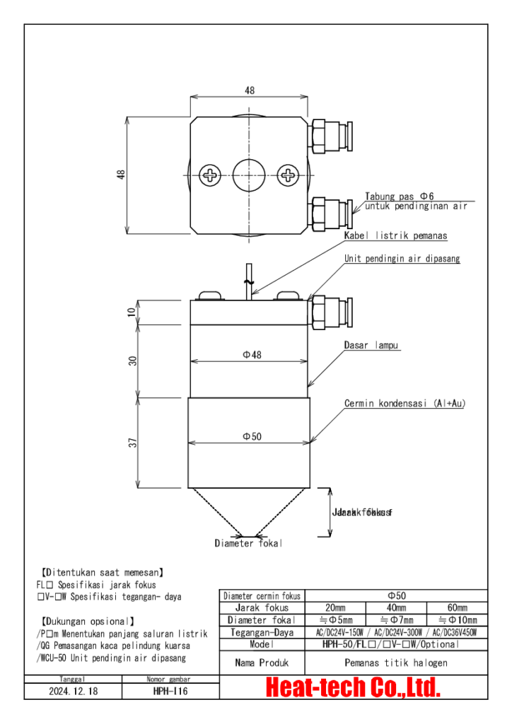
HPH-50 adalah pemanas titik halogen yang mencapai pemanasan suhu tinggi dengan memusatkan cahaya dari lampu halogen ke satu titik menggunakan cermin kondensor.
Temperaturnya bervariasi tergantung pada laju penyerapan infra merah dari benda yang akan dipanaskan, dll.
Dengan panjang fokus 20mm, titik Φ5mm dapat dipanaskan hingga sekitar 1450℃.
Metode pengendalian suhu pemanasan adalah pengendalian waktu iradiasi atau pengendalian tegangan.
Menyesuaikan voltase hingga 90% akan melipatgandakan masa pakai lampu.
*Operasi kedipan frekuensi tinggi akan memperpendek masa pakai.
Memperlambat dan memperlambat tegangan juga meningkatkan umur.
2) Mencapai pemanasan bersih sempurna dan juga dapat dipanaskan di ruangan bersih dan penyedot debu.
*Saat ditempatkan dalam soda vakum, sebagian gas mungkin terlepas dari perekat anorganik di awal, jadi diperlukan perawatan vakum terlebih dahulu.
Selain itu, pembuangan panas berkurang dalam ruang hampa, sehingga unit pendingin air harus dipasang di unit utama.
3) Sekarang dimungkinkan untuk memanaskan ruang sempit, yang sebelumnya hanya dapat dilakukan dengan serat optik atau laser.
Dibandingkan dengan metode pemanasan serat optik dan metode pemanasan laser, metode ini 10 kali lebih efisien, biaya lebih rendah, hemat energi, dan lebih aman.
4) Tidak ada batasan arah pencahayaan, dan Anda dapat menggunakannya sambil memindahkannya.
*Saat memasang komponen bergerak, benturan besar akan terjadi saat produk berhenti, jadi pastikan untuk mengambil tindakan untuk mencegah benturan.
5) Metode pendinginan udara dan metode pendinginan air dapat digunakan.
■ Tipe dengan kipas pendingin dapat digunakan hanya dengan pengontrol pemanas tanpa chiller atau kompresor.
■ Tipe berpendingin air memerlukan pengontrol pemanas dan air pendingin, namun dapat juga digunakan dalam wadah vakum.
2.Foto Eksterior HPH-50

Tipe pendingin kipas HPH-50FA/FL20/36V-450W

Tipe eksternal unit pendingin air HPH-50FA/FL20/36V-450W + WCU-60
3.Fokus Jarak dan Diameter Fokus HPH-50
4.Waktu Pemanasan HPH-50
5.Tegangan dan Umur HPH-50
Seperti yang terlihat pada gambar di atas, penggunaan dengan menurunkan tegangan rating sebesar 10% akan memperpanjang masa hidup perangkat menjadi 3 kali lipat dari masa hidup yang dirancang.
Penggunaan dengan menurunkan tegangan rating sebesar 20% akan memperpanjang masa hidup perangkat menjadi 9 kali lipat dari masa hidup yang dirancang.
6.Kendali Manual -> Seri HCV
Ikhtisar pengontrol catu daya manual seri HCV untuk pemanas halogen
7.Kontrol Suhu Otomatis -> Seri HHC2
Ikhtisar pengontrol pemanas performa tinggi seri HHC2
8. Konfigurasi HPH-50
HPH-50 is used by combining a condenser mirror and a lamp base and specifying the length of the power line.
9.Gambar Eksterior HPH-50
●Katalog produk pemanas titik halogen

Klik di sini untuk memuat turun katalog PDF pemanas titik halogen
HEAT-TECH TEST TEST










