Jenis lampu paralel kinerja tinggi Pemanas garis inframerah jauh seri FLH-60
Daftar Isi Halaman Ini:
Pemanasan cepat
1.Fitur FLH-60
・ Kisaran sempit dapat dipanaskan.
・ Karena dapat menyala dengan cepat, Anda dapat mempersingkat waktu pemanasan.
・ Kontrol suhu presisi tinggi dimungkinkan.
・ Anda dapat mengatur frekuensi elemen pemanas.
・ Karena menggunakan sinar infra merah jauh, ini bagus untuk memanaskan kaca.
・ Bersih.
・ Anda dapat memanaskan permukaan dengan menggunakannya berdampingan.
・Karena dapat menyala dengan cepat, Anda dapat mempersingkat waktu pemanasan.
・ Kontrol suhu presisi tinggi dimungkinkan.
・Karena memiliki termokopel bawaan, suhu elemen pemanas dapat diatur secara bebas.
・ Anda dapat mengatur frekuensi elemen pemanas.
Dengan menyesuaikan suhu elemen pemanas, frekuensi puncak inframerah jauh dapat dikontrol.
*Ketika suhu diturunkan, energi transfer (iradiasi) juga berkurang.
・Karena menggunakan sinar infra merah jauh, ini bagus untuk memanaskan kaca.
·Bersih.
pemanasan non-kontak tanpa media memungkinkan pemanasan yang sangat bersih.
・ Anda dapat memanaskan permukaan dengan menggunakannya berdampingan.
Dengan lebar 60 mm, pemanasan permukaan dimungkinkan saat digunakan berdampingan.
pemanasan permukaan inframerah jauh yang seragam dapat dicapai.
2.Panjang fokus
3.Daftar model pemanas garis inframerah jauh
4.Model konfigurasi
(Contoh) FLH-60A/f∞/L280/220V-1.3kW/+K/P3m・K3m
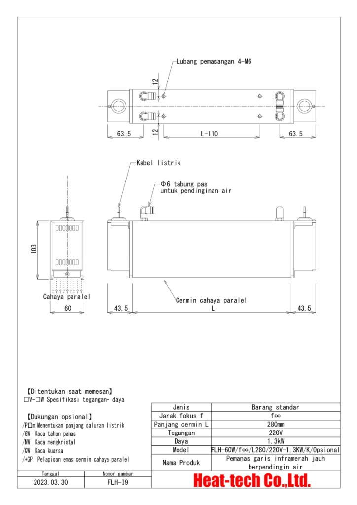
5.Gambar eksterior FLH-60
●Katalog produk pemanas garis inframerah jauh

Klik di sini untuk memuat turun katalog PDF



















