Iradiator tipe titik sinar ultraviolet seri UVP-30
Daftar Isi Halaman Ini:
- 1.Fitur UVP-30
- 2.Foto garis besar UVP-30
- 3.UVP-30 panjang fokus dan diameter fokus
- 4.Karakteristik distribusi cahaya UVP-30
- 5.Distribusi spektral UVP-30
- 6.Kehidupan desain UVP-30
- 7.Konfigurasi UVP-30
- 8.Gambar garis besar UVP-30
- 9.Pengontrol kontrol manual seri UVPC-3.6V
- Klik di sini untuk memuat turun katalog PDF
1.Fitur UVP-30
1) Kompak dan dapat menyinari titik φ13 dengan sinar ultraviolet.
UVP-30 adalah iradiator titik ultraviolet yang mengubah cahaya dari lampu ultraviolet menjadi titik menggunakan cermin kondensasi.
2) Pengguna dapat memilih dari lima panjang gelombang ultraviolet dekat (UVA): 355nm, 360nm, 365nm, 370nm, dan 375nm.
Aktivasi fungsi sel dan efek berjemur dapat dibandingkan berdasarkan panjang gelombang.
3) Dengan catu daya variabel manual, Anda dapat dengan mudah mengatur jumlah iradiasi dengan menyesuaikan arus.
Pengguna dapat membandingkan efek sinar ultraviolet dengan memvariasikan jumlah penyinaran.
4) Iradiasi bersih sempurna tercapai, dan iradiasi di ruangan bersih dan ruang hampa juga dimungkinkan.
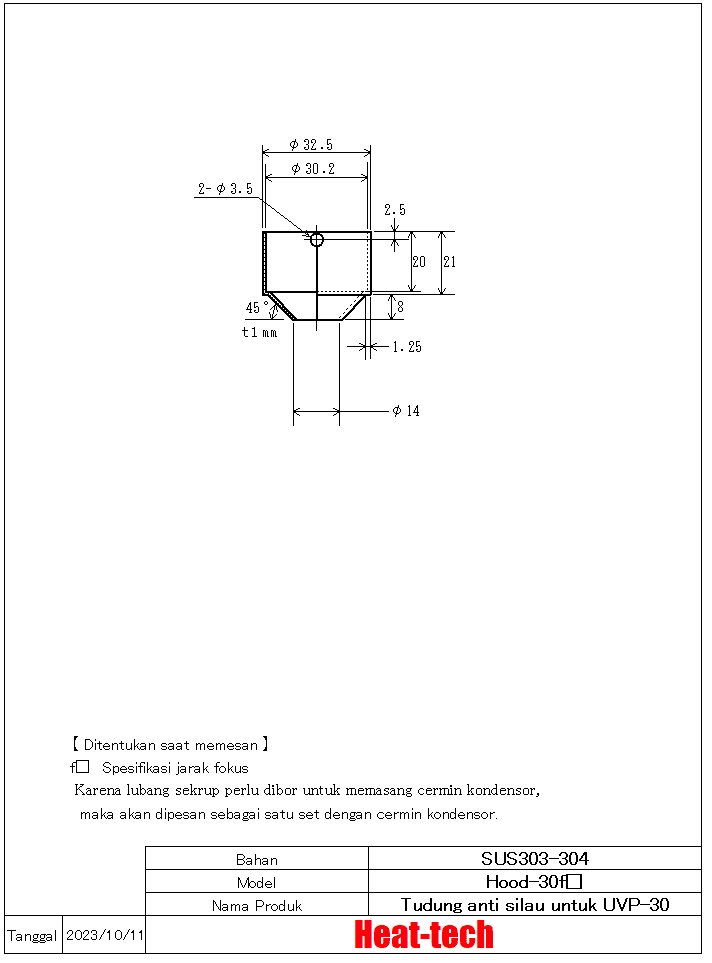
5) Kap penghalang cahaya memastikan keselamatan pekerja.
2.Foto garis besar UVP-30

<UVP-30 diinstal pada TS-7>
3.UVP-30 panjang fokus dan diameter fokus
4.Karakteristik distribusi cahaya UVP-30
5.Distribusi spektral UVP-30
6.Kehidupan desain UVP-30
7.Konfigurasi UVP-30
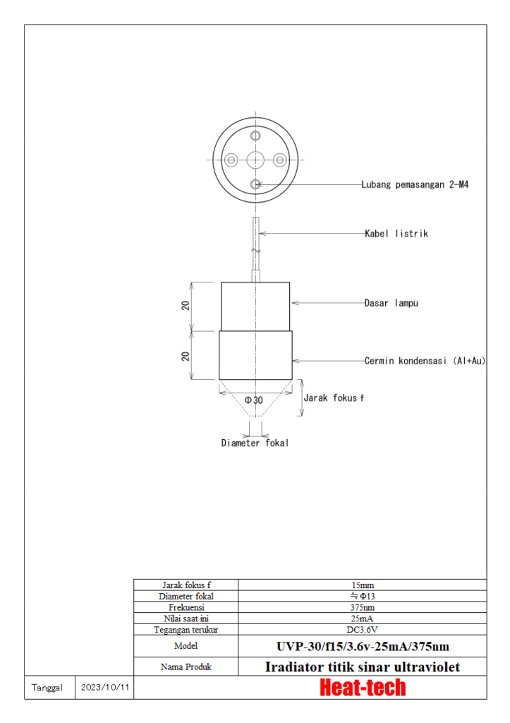
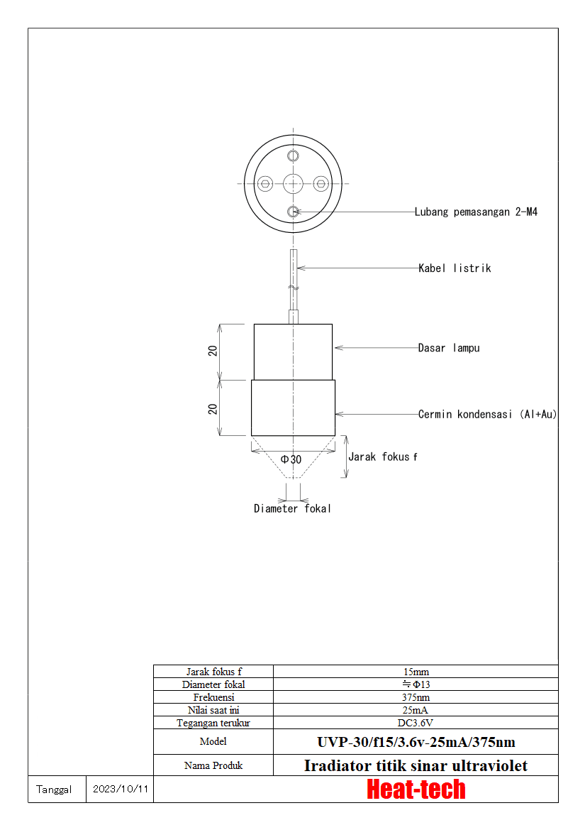
8.Gambar garis besar UVP-30
9.Pengontrol kontrol manual seri UVPC-3.6V

●Seri UVCP3.6V desain universal berwarna
●Lampu indikator biru digunakan untuk membuat skema warna yang mudah dilihat semua orang.
●Dilengkapi dengan dial, UVP-30 dapat dikontrol secara manual pada 3.6V.
※Harap diperhatikan – Tidak dapat digunakan dengan UVP-60.


Klik di sini untuk memuat turun katalog PDF


















