Home / Halogen Point Heater / products / Pemanas titik halogen ultra kecil HPH-18

Pemanas titik halogen ultra kecil HPH-18

1.Fitur HPH-18

1)Super kecil, dapat memanaskan titik dengan diameter 2,5 mm hingga suhu 800-900℃.
Suhu pemanasan bervariasi tergantung pada jenis objek yang dipanaskan.
Kontrol suhu dapat dilakukan melalui kontrol waktu penyinaran atau kontrol tegangan.
Umur lampu dapat menjadi sepertiga dari biasanya, namun boleh menambahkan overvoltage sebesar 110%.
※ Operasi berkedip dengan frekuensi tinggi dapat menurunkan umur lampu.
Peningkatan dan penurunan tegangan dapat meningkatkan umur lampu.

2)Dapat mencapai pemanasan yang bersih dan cocok untuk pemanasan di ruang bersih atau dalam ruang hampa udara.
※ Ketika ditempatkan dalam ruang hampa udara, terjadi pelepasan gas sedikit dari perekat anorganik pada awalnya, sehingga perlakukan dengan vakum terlebih dahulu.
Selain itu, pendinginan air pada unit utama diperlukan karena radiasi panas menurun dalam vakum.

3)Kini memungkinkan untuk memanaskan area yang sempit yang sebelumnya hanya bisa ditangani dengan serat optik atau laser.
Dibandingkan dengan metode pemanasan serat optik atau pemanasan laser, HPH-18 memiliki efisiensi yang jauh lebih tinggi, biaya yang lebih rendah, hemat energi, dan lebih aman.

4)Tidak ada pembatasan arah pencahayaan, sehingga dapat digunakan sambil dipindahkan.
※ Saat memasang bagian yang dapat digerakkan, pastikan untuk mengambil tindakan pencegahan goncangan yang besar saat berhenti.
Terdiri dari cermin berfokus dengan efisiensi tinggi yang dilengkapi dengan kaca pelindung depan dan bagian lampu yang dapat diganti.
Jika digunakan secara terus-menerus, pasang unit pendingin udara ACU-8.

2.Foto Eksterior HPH-18

Pemanas titik halogen ultra kecil HPH-18

Pemanas titik halogen ultra kecil HPH-18

<< HPH-18+ACU-08 >>

Pemanas titik halogen ultra kecil HPH-18

Pemanas titik halogen ultra kecil HPH-18

<< HPH-18L/f9/18v-40w >>

3.Fokus Jarak dan Diameter Fokus HPH-18

Pemanas titik halogen ultra kecil HPH-18

Pemanas titik halogen ultra kecil HPH-18

<<HPH-18/f9/18v-40w dan HPH-18L/f9/18v-40w memiliki performa pemanasan yang sama >>

4.Waktu Pemanasan HPH-18
Pemanas titik halogen ultra kecil HPH-18

<<HPH-18/f9/18v-40w dan HPH-18L/f9/18v-40w memiliki performa pemanasan yang sama >>

5.Tegangan dan Umur HPH-18

Pemanas titik halogen ultra kecil HPH-18

Terdiri dari bagian cermin berkinerja tinggi dengan kaca pelindung depan dan bagian lampu yang dapat diganti satu sama lain.
Jika Anda akan menggunakan lampu secara terus-menerus, silakan pasang unit pendingin udara ACU-8.
Dibandingkan dengan suhu saat termokopel K dipanaskan, bata tahan api memiliki tingkat penyerapan inframerah yang lebih tinggi daripada termokopel K, sehingga suhu saat dipanaskan lebih tinggi.

kurva hidup

Seperti yang terlihat pada gambar di atas, penggunaan dengan menurunkan tegangan rating sebesar 10% akan memperpanjang masa hidup perangkat menjadi 3 kali lipat dari masa hidup yang dirancang.
Penggunaan dengan menurunkan tegangan rating sebesar 20% akan memperpanjang masa hidup perangkat menjadi 9 kali lipat dari masa hidup yang dirancang.

6.Kendali Manual -> Seri HCV

Pemanas titik halogen ultra kecil HPH-18

Ikhtisar pengontrol catu daya manual seri HCV untuk pemanas halogen

7.Kontrol Suhu Otomatis -> Seri HHC2

Pemanas titik halogen ultra kecil HPH-18

Ikhtisar pengontrol pemanas performa tinggi seri HHC2

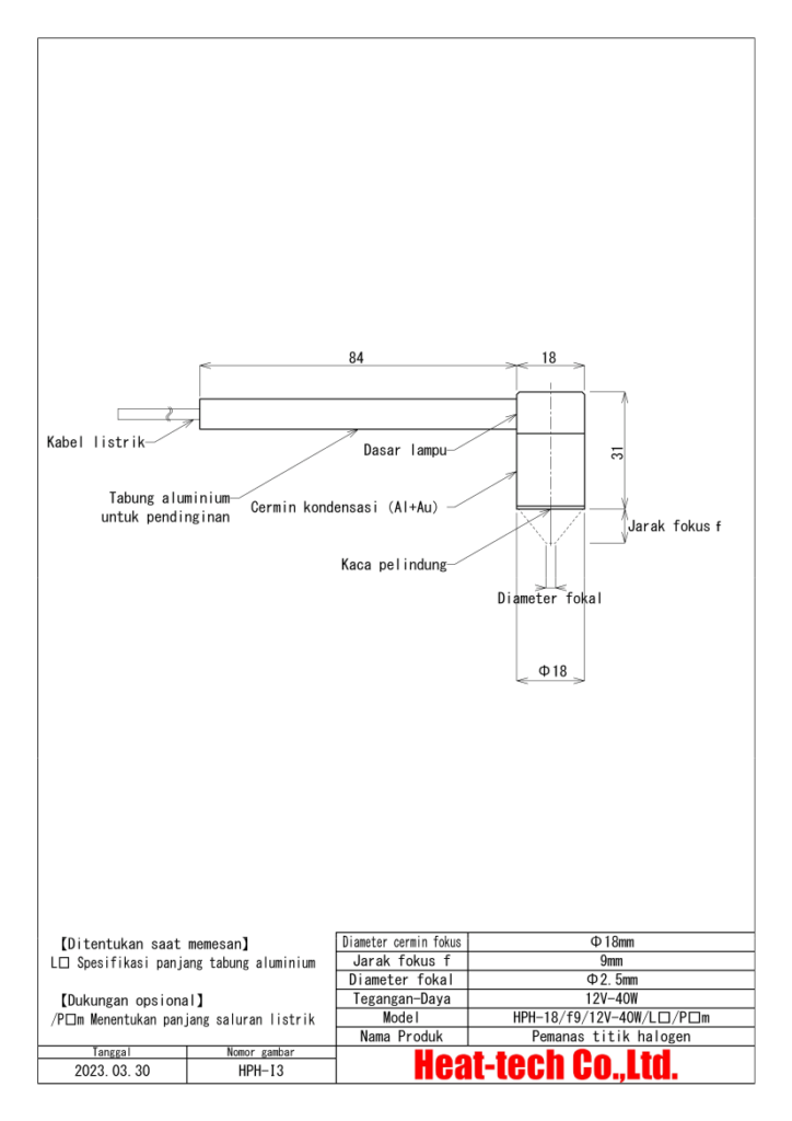
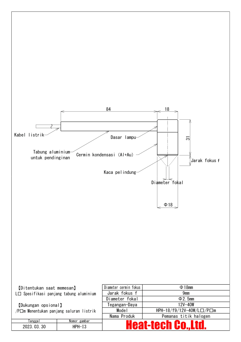
8.Gambar Eksterior HPH-18

Pemanas titik halogen ultra kecil HPH-18

Pemanas titik halogen ultra kecil HPH-18

Pemanas titik halogen ultra kecil HPH-18

Pemanas titik halogen ultra kecil HPH-18

 

●Katalog produk pemanas titik halogen

Katalog produk pemanas titik halogen
Klik di sini untuk memuat turun katalog PDF pemanas titik halogen

 

Daftar Harga

Hubungi kami